Product Summary
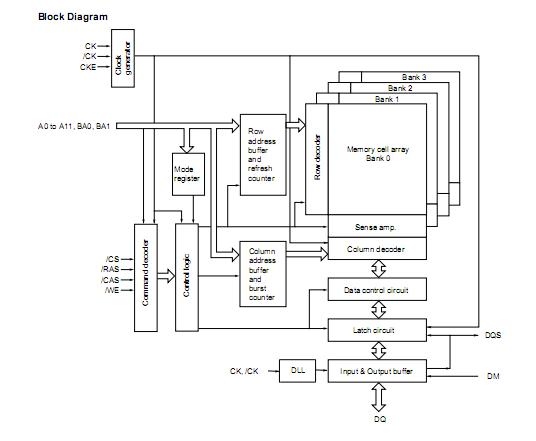
The EDD1216AJTA-5B-E is a 128M bits DDR SDRAM.
Parametrics
EDD1216AJTA-5B-E absolute maximum ratings: (1)Voltage on any pin relative to VSS: VT: –1.0 to +3.6V; (2)Supply voltage relative to VSS: VDD:–1.0 to +3.6V; (3)Short circuit output current: IOS: 50mA; (4)Power dissipation: PD: 1.0W; (5)Operating ambient temperature: TA: 0 to +70°C; (6)Storage temperature: Tstg:–55 to +125°C.
Features
EDD1216AJTA-5B-E features: (1)Double-data-rate architecture; two data transfers per clock cycle ; (2)The high-speed data transfer is realized by the 2 bits prefetch pipelined architecture ; (3)Bi-directional data strobe (DQS) is transmitted/received with data for capturing data at the receiver ; (4)Data inputs, outputs, and DM are synchronized with DQS ; (5)DQS is edge-aligned with data for READs; centeraligned with data for WRITEs ; (6)Differential clock inputs (CK and /CK) ; (7)DLL aligns DQ and DQS transitions with CK transitions ; (8)Commands entered on each positive CK edge; data and data mask referenced to both edges of DQS ; (9)Data mask (DM) for write data.
Diagrams

![]() |
![]() EDD1216AASE |
![]() Other |
![]() |
![]() Data Sheet |
![]() Negotiable |
|
||||
![]() |
![]() EDD1216AATA |
![]() Other |
![]() |
![]() Data Sheet |
![]() Negotiable |
|
||||
![]() |
![]() EDD1232AAFA |
![]() Other |
![]() |
![]() Data Sheet |
![]() Negotiable |
|
||||
![]() |
![]() EDD1232AABH |
![]() Other |
![]() |
![]() Data Sheet |
![]() Negotiable |
|
||||
(China (Mainland))








