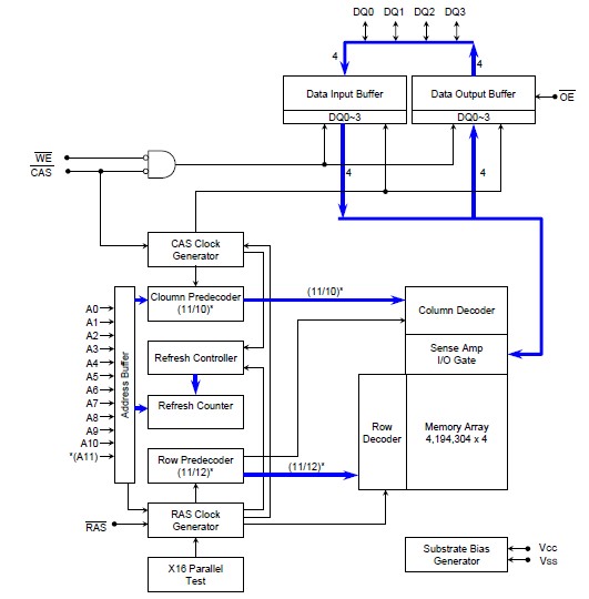
Product Summary
The HY534256AJ-70 is a 16M bit dynamic RAM organized 4,194,304 x 4-bit configuration with Extended Data Out mode CMOS DRAM. Extended data out mode is a kind of page mode which is useful for the read operation.
Parametrics
HY534256AJ-70 absolute maximum ratings: (1)Storage Temperature: -55 to 150 °C; (2)Voltage on Any Pin relative to VSS: -1.0 to 7.0 V; (3)Voltage on VCC relative to VSS: -1.0 to 7.0 V; (4)Short Circuit Output Current: 50 mA.
Features
HY534256AJ-70 features: (1)Extended data out operation; (2)Read-modify-write Capability; (3)TTL compatible inputs and outputs; (4)/CAS-before-/RAS, /RAS-only, Hidden and Self refresh capability.
Diagrams

![]() |
![]() HY534256A |
![]() Other |
![]() |
![]() Data Sheet |
![]() Negotiable |
|
||||
![]() |
![]() HY534256 series |
![]() Other |
![]() |
![]() Data Sheet |
![]() Negotiable |
|
||||
(China (Mainland))







