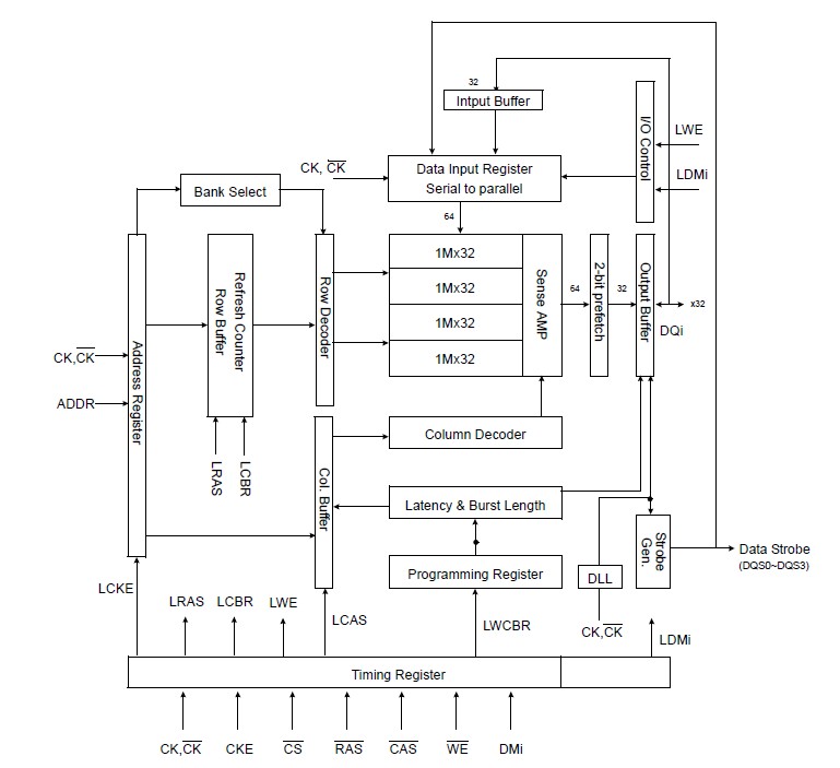
Product Summary
The K4D263238G-VC36 is 134,217,728 bits of hyper synchronous data rate Dynamic RAM organized as 4 x1,048,576 words by 32 bits, fabricated with SAMSUNGs high performance CMOS technology. Synchronous features with Data Strobe allow extremely high performance up to 2.8GB/s/chip. I/O transactions of the K4D263238G-VC36 are possible on both edges of the clock cycle. Range of operating frequencies, programmable burst length and programmable latencies allow the K4D263238G-VC36 to be useful for a variety of high performance memory system applications.
Parametrics
K4D263238G-VC36 absolute maximum ratings: (1)Voltage on any pin relative to Vss VIN, VOUT: -0.5 ~ 3.6 V; (2)Voltage on VDD supply relative to Vss VDD: -1.0 ~ 3.6 V; (3)Voltage on VDD supply relative to Vss VDDQ: -0.5 ~ 3.6 V; (4)Storage temperature TSTG: -55 ~ +150 ℃; (5)Power dissipation PD: 3.3 W; (6)Short circuit current IOS: 50 mA.
Features
K4D263238G-VC36 features: (1)2.5V ±5% power supply for device operation; (2)2.5V ±5% power supply for I/O interface; (3)SSTL_2 compatible inputs/outputs; (4)4 banks operation; (5)MRS cycle with address key programs; (6)Burst type (sequential & interleave); (7)All inputs except data & DM are sampled at the positive; (8)Going edge of the system clock; (9)Differential clock input.
Diagrams

![]() |
![]() K4D261638E |
![]() Other |
![]() |
![]() Data Sheet |
![]() Negotiable |
|
||||
![]() |
![]() K4D261638F |
![]() Other |
![]() |
![]() Data Sheet |
![]() Negotiable |
|
||||
![]() |
![]() K4D263238A-GC |
![]() Other |
![]() |
![]() Data Sheet |
![]() Negotiable |
|
||||
![]() |
![]() K4D263238A-GC33 |
![]() Other |
![]() |
![]() Data Sheet |
![]() Negotiable |
|
||||
![]() |
![]() K4D263238E-GC |
![]() Other |
![]() |
![]() Data Sheet |
![]() Negotiable |
|
||||
![]() |
![]() K4D263238E-GC33 |
![]() Other |
![]() |
![]() Data Sheet |
![]() Negotiable |
|
||||
(China (Mainland))








