Product Summary
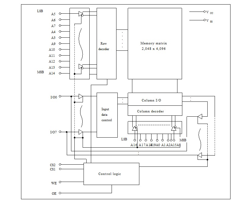
The HM62V8100LTTI-5SLE is an 8-Mbit static RAM organized 1,048,576-word× 8-bit. The HM62V8100LTTI-5SLE has realized higher density, higher performance and low power consumption by employing Hi-CMOS process technology. The HM62V8100LTTI-5SLE offers low power standby power dissipation; therefore, it is suitable for battery backup systems. It is packaged in 48 bumps chip size package with 0.75 mm bump pitch or standard 44-pin TSOP II for high density surface mounting.
Parametrics
HM62V8100LTTI-5SLE absolute maximum ratings: (1)Power supply voltage relative to VSS: –0.5 to + 4.6V; (2)Terminal voltage on any pin relative to VSS: –0.5 to VCC + 0.3V; (3)Power dissipation PT: 1.0W; (4)Storage temperature range Tstg: –55 to +125°C; (5)Storage temperature range under bias Tbias: –40 to +85°C.
Features
HM62V8100LTTI-5SLE features: (1)Single 3.0 V supply: 2.7 V to 3.6 V; (2)Fast access time: 55 ns (Max); (3)Power dissipation: Active: 6.0 mW/MHz (Typ), Standby: 1.5 μW(Typ); (4)Completely static memory: No clock or timing strobe required; (5)Equal access and cycle times; (6)Common data input and output: Three state output; (7)Battery backup operation:2 chip selection for battery backup; (8)Temperature range: –40 to +85°C.
Diagrams

![]() |
![]() HM6207H |
![]() Other |
![]() |
![]() Data Sheet |
![]() Negotiable |
|
||||
![]() |
![]() HM6208H |
![]() Other |
![]() |
![]() Data Sheet |
![]() Negotiable |
|
||||
![]() |
![]() HM621100A |
![]() Other |
![]() |
![]() Data Sheet |
![]() Negotiable |
|
||||
![]() |
![]() HM621400H |
![]() Other |
![]() |
![]() Data Sheet |
![]() Negotiable |
|
||||
![]() |
![]() HM621400HC |
![]() Other |
![]() |
![]() Data Sheet |
![]() Negotiable |
|
||||
![]() |
![]() HM6216255H |
![]() Other |
![]() |
![]() Data Sheet |
![]() Negotiable |
|
||||
(China (Mainland))








